产品展示
- 产品详情
- 销售热线:0755-27807607
170M07085 Bussmann高速熔断器
| 产品名称 | 伊顿Bussmann系列高速方体熔断器 |
| Catolog编号 | 170M7085 |
| 额定电流 | 3500A |
| 额定电压 | 690V |
| 数据表 | |
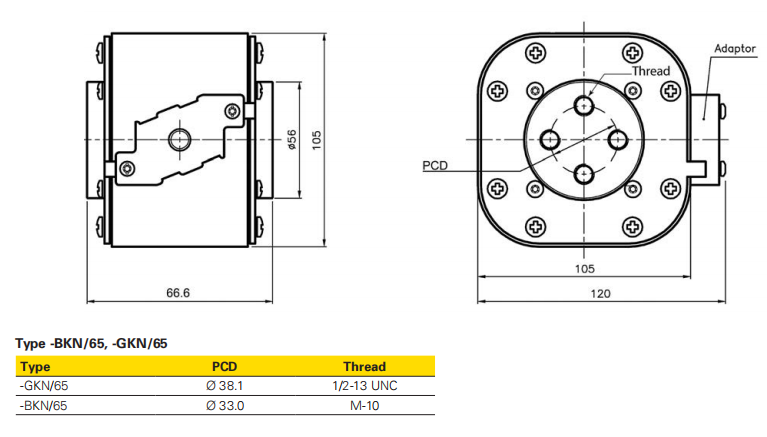
| 产品长度 | 67mm |
| 产品高度 | 120mm |
| 产品宽度 | 108mm |
| 产品重量 | 1369.5g |
| 类 | Class aR |
| 产品类型 | 高速熔断器 |
| 电压型 | AC |
| 包装类型 | 标准 |
| 分断能力 | 200 kA |
| 认证 | UL认证 IEC等级 |
170M7085 尺寸

| 产品名称 | 伊顿Bussmann系列高速方体熔断器 |
| Catolog编号 | 170M7085 |
| 额定电流 | 3500A |
| 额定电压 | 690V |
| 数据表 | |
| 产品长度 | 67mm |
| 产品高度 | 120mm |
| 产品宽度 | 108mm |
| 产品重量 | 1369.5g |
| 类 | Class aR |
| 产品类型 | 高速熔断器 |
| 电压型 | AC |
| 包装类型 | 标准 |
| 分断能力 | 200 kA |
| 认证 | UL认证 IEC等级 |

最新资讯
/ NEWS推荐资讯
/ NEWS