产品展示
- 产品详情
- 销售热线:0755-27807607
RSG系列半导体器件保护用熔断器
1.环境空气温度上限不超过+40℃,下限不低于-5℃。
2.安装地点的海拔高度不超过2000m。
3.安装在无爆炸危险的介质中,无足以腐蚀金属和破坏绝缘的气体及无导电尘埃的地方。
4.在最高温度+40℃时,温度不超过50%,在较低温度下,允许有较高的相对湿度(如在+20℃时为90%)在这样的条件下,由于温度的变化,可能引起凝露的允许的。 5.该产品可以垂直、水平或倾斜安装,工作场所应无显著振动和冲击。
6.该产品额定电流大于1250A,且长期使用在70%以上额定电流时,必须与水冷母线连接或强迫风冷。 正常工作条件
RSG 命名格式为
1: RS 半导保护体熔断器(快速熔断器|)
2: G 设计代码
3: 0 熔断器尺寸(管号)**
4: 额定电压
5: 额定电流
6: P, Z ,P2 , AP, LCP M 熔断器安装方式
7: K 开关指示, C 幢针指示, O

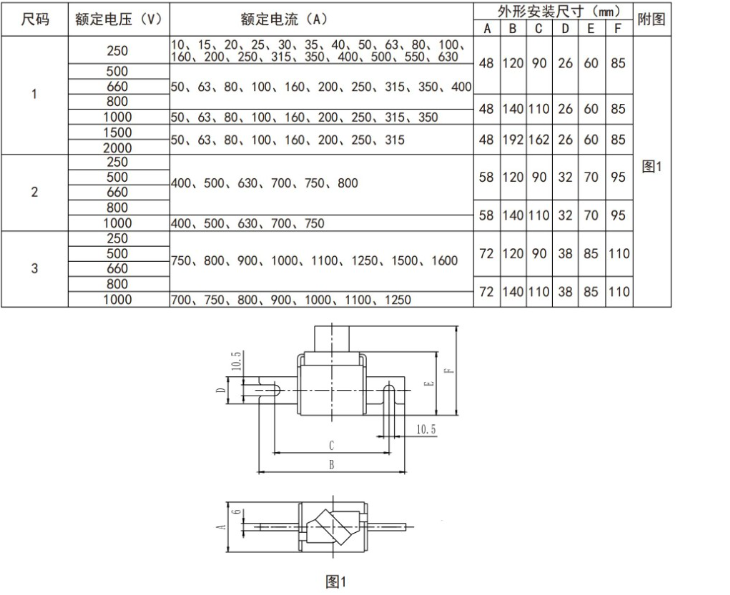
外形及安装尺寸





