产品展示
- 产品详情
- 销售热线:0755-27807607
描述:
电动汽车 500V
Bussmann系列电动汽车保险丝专为保护敏感的电动和混合动力汽车设备而设计,
包括高压、大容量电池、电力转换设备、接触器、电缆和其他辅助电路。
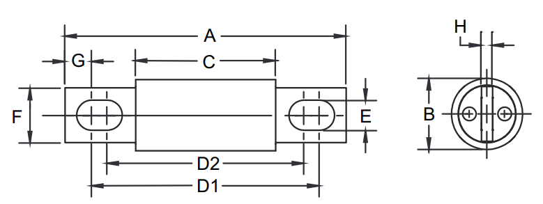
Bussmann可熔解决方案提供四种外壳尺寸。
螺栓固定式电力熔断器(直径20、25和30毫米)可保护额定电压高达500Vdc、额定电流从50到400安培的高功率电池充电和管理系统
目录符号:
• EV20-(amp) 20 mm 直径
• EV25-(amp) 25 mm 直径
• EV30-(amp) 30 mm 直径
规格:额定值
伏特 - 500 Vdc
• 安培 – 50-400 A
• 中断评级
• 最大直流 – 20 kA
• 最小直流 200%
包装
• 每盒一个保险丝
• 纸箱
• 20毫米保险丝:每箱350盒
• 25毫米保险丝:每箱180盒
• 30毫米保险丝:每箱135盒
特点:
更高的电压等级为整个系统提供了
使用更小、更经济的设备来提高效率
导体,同时满足更高需求
电压电池组
目录符号
| 生产 | 安培 |
| 零件编号 | 评分 |
| EV20-50 | 50A |
| EV20-60 | 60A |
| EV20-70 | 70A |
| EV20-80 | 80A |
| EV20-I00 | I00A |
| EV20-I25 | I25A 1 QAA |
| EV25-I00 | I00A |
| EV25-I25 | I25A |
| EV25-I50 | I50A |
| EV25-I75 | I75A |
| EV25-200 | 200A |
| EV25-225 | 225A |
| EV25-250 | 250A |
| EV30-200 | 200A |
| EV30-225 | 225A |
| EV30-250 | 250A |
| EV3O-3OO | 300A |
| EV3O-35O | 350A |
| EV30-400 | 400A |









